首页
关于我们
产品中心
荣誉客户
新闻资讯
人力资源
联系我们
首页
关于我们
产品中心
变频器
软起动
电动机测控保护装置
多功能数显表
抗晃电装置
荣誉客户
新闻资讯
人力资源
联系我们
产品中心
为客户提供专业化、高性能的电子专用设备
全部产品
变频器
软起动
电动机测控保护装置
多功能数显表
抗晃电装置
电动机测控保护装置
全部产品
变频器
软起动
电动机测控保护装置
多功能数显表
抗晃电装置
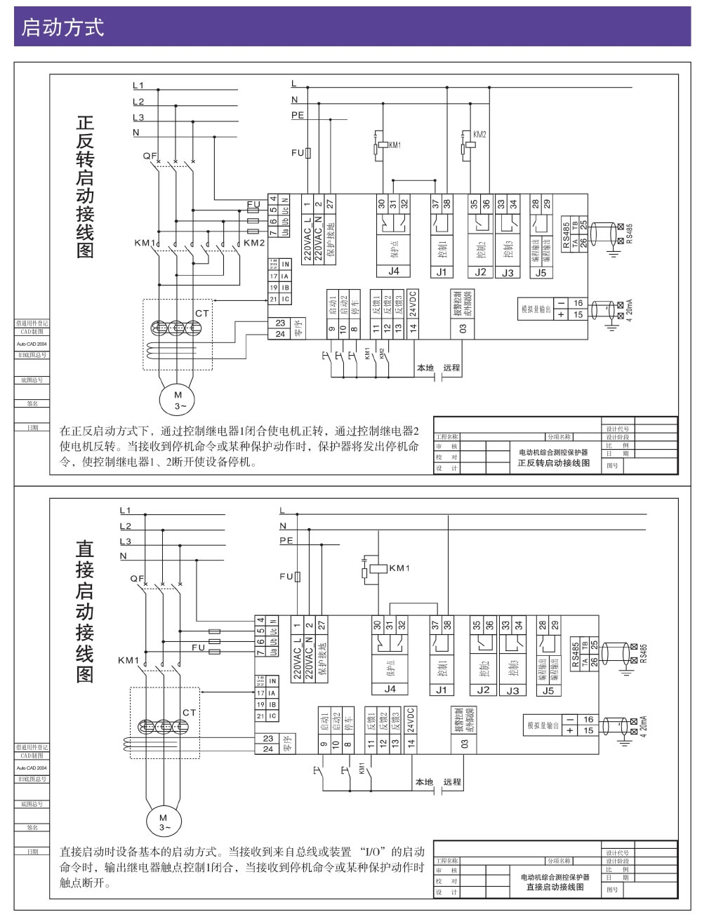
ZDM系列电动机测控保护装置
功能介绍
参数介绍
返回列表
分享:
关于我们
产品中心
荣誉客户
新闻资讯
人力资源
联系我们